Mitosis

When a eukaryotic cell divides into two, each daughter or progeny cell must receive

There are so many mitochondria and ribosomes in the cell that each daughter cell is usually assured of getting some. But ensuring that each daughter cell gets two (if diploid) of every gene in the cell requires the greatest precision.

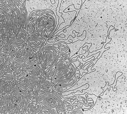
This image (provided by J. R. Paulson and U. C. Laemmli) provides a graphic illustration of the problem. It shows a bit (no more than 3%) of the single molecule of DNA released from a single human chromosome. (The chromosome was treated to remove its histones). Remembering that this is 3% of the DNA of only one of the 46 chromosomes in the human diploid cell, you can appreciate the problem faced by the cell of how to separate without error these great lengths of DNA without creating horrible tangles.

The answer:

These tasks are accomplished by mitosis. Mitosis is the process that distributes one of each duplicated chromosome (as well as one centriole) to each daughter cell. It is convenient to consider the process in 4 phases.

Prophase

The microtubules attached to a kinetochore exert tension on its chromatid. For each dyad, one of the kinetochores is attached to one pole, the second (or sister) chromatid to the opposite pole.

Metaphase

The tension is proportional to length; thus if a dyad approaches one pole, the tension in the opposite direction increases and the dyad is pulled back to an equilibrium position midway between the poles. In due course, all the dyads reach this position, the equatorial plane or metaphase plate. The chromosomes are at their most compact at this time.

Anaphase

The sister kinetochores suddenly separate and each moves to its respective pole dragging its attached chromatid behind it.

Telophase

A nuclear envelope reforms around each cluster of chromosomes and these return to their more extended form.

Cytokinesis

Mitosis is the process of separating the duplicates of each of the cell's chromosomes. It is usually followed by division of the cell. However, there are cases (cleavage in the insect embryo is an example) where the chromosomes undergo the mitotic process without division of the cell. Thus a special term, cytokinesis, for the separation of a cell into two.

In animal cells, a belt of actin filaments forms around the perimeter of the cell, midway between the poles. As the belt tightens, the cell is pinched into two daughter cells.

In plant cells, a membrane-bounded cell plate forms where the metaphase plate had been. The cell plate, which is synthesized by the Golgi apparatus, supplies the plasma membrane that will separate the two daughter cells. Synthesis of a new cell wall between the daughter cells also occurs at the cell plate.

Welcome&Next Search

10 June 1999